晶振中心
進口晶振
- SMI晶振
- KDS晶振
- 精工晶振
- 西鐵城晶振
- 愛普生晶振
- 村田晶振
- 日本NDK晶體
- 京瓷晶振
- 臺灣TXC晶振
- 泰藝晶振
- 亞陶晶振
- 希華晶體
- 臺灣津綻晶體
- 美國CTS石英晶振
- 加高晶體
- 大河晶振
- 鴻星晶振
- 富士石英晶體
- AKER晶振
- Lihom晶振
- NAKA晶振
- NKG晶振
- NJR晶振
- Sunny晶振
石英晶體諧振器
歐美晶振
- Abracon晶振
- ECS晶振
- Golledge晶振
- ILSI晶振
- FOX晶振
- fujicom晶振
- AEK晶振
- CRYSTEK晶振
- interquip晶振
- Geyer晶振
- quartzcom晶振
- qantek晶振
- EUROQUARTZ晶振
- quarztechnik晶振
- Cardinal晶振
- FRE-TECH晶振
- KVG晶振
- wi2wi晶振
- AEL晶振
- Transko晶振
- suntsu晶振
- mmdcomp晶振
- MERCURY晶振
- MTRONPTI晶振
- RALTRON晶振
- Microcrystal晶振
- SITIME晶振
- IDT晶振
- Pletronics晶振
- STATEK晶振
- Rakon晶振
- ConnorWinfield晶振
- JAUCH晶振
- VECTRON晶振
- Greenray晶振
- ECLIPTEK晶振
- ACT晶振
- MTI-milliren晶振
- Rubyquartz晶振
- Oscilent晶振
- SHINSUNG晶振
- ITTI晶振
- PDI晶振
- IQD晶振
- Microchip晶振
- Silicon晶振
- Fortiming晶振
- CORE晶振
- NIPPON晶振
- NICKC晶振
- QVS晶振
- Bomar晶振
- Bliley晶振
- GED晶振
- FILTRONETICS晶振
- STD晶振
- Q-Tech晶振
- Anderson晶振
- Wenzel晶振
- NEL晶振
- EM晶振
- PETERMANN晶振
- FCD-Tech晶振
- HEC晶振
- FMI晶振
- Macrobizes晶振
- AXTAL晶振
- ARGO晶振
- Skyworks晶振
- Renesas瑞薩晶振
數碼產品
智能家電
時計產品
車載產品
石英晶體振蕩器

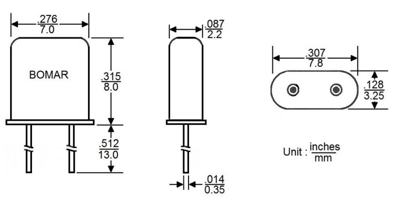
BC21EFD120-26.000000,26MHz,Bomar品牌,穿孔型晶體,UM-1,插件晶振,美國進口晶振,Bomar博馬爾晶振,型號:BC21系列,編碼為:BC21EFD120-26.000000,精度:±30ppm,頻率穩定性:±50ppm,負載電容:20pF,工作溫度范圍:-20℃至+70℃,頻率為:26MHz,小體積晶振尺寸:8x7.8x3.25mm封裝,是一種微型的at切割穿孔型晶體,石英晶振,石英晶體諧振器,插件晶振,無源晶振。具有超小型晶振,高精度,高性能,高可靠性特點。設計用于空間有限的應用,非常適合移動通信和無線電應用。
BC21EFD120-26.000000,26MHz,Bomar品牌,穿孔型晶體,UM-1,插件晶振,產品特點:
•非常緊湊和薄(8x7.8x3.25mm)
•頻率范圍從6MHz到200MHz
•提供了對±為5ppm的公差和穩定性無源晶振
•溫度范圍為-40º到+85ºC
•UM-1是可與一個可選的角翼設計和安裝夾為SMD應用
•可在基本的,第三泛音,第五泛音或第七泛音
•提供了對±為5ppm的公差和穩定性無源晶振
•溫度范圍為-40º到+85ºC
•UM-1是可與一個可選的角翼設計和安裝夾為SMD應用
•可在基本的,第三泛音,第五泛音或第七泛音
•所有產品均符合歐盟無鉛含量限制指令(RoHS)和使用無鉛焊料重新流動成型的要求。

| Frequency Range | 26.000MHz | |||||
| Frequency Tolerance @ 25ºC. | ±30ppm - Standard ±5ppm to ±100ppm - Available | |||||
| Frequency Stability | ±50ppm - Standard ±5ppm to ±100ppm - Available | |||||
| Operating Temperature Range | -20º to +70ºC. - Standard -40º to +85ºC. - Available | |||||
| Load Capacitance | 10pF to 100pF or Series Resonant | |||||
| Shunt Capacitance | 7pF max. | |||||
| Equivalent Series Resistance | See chart below | |||||
| Aging | ±3ppm/year max. | |||||
| Drive Level | 1mW max. | |||||
| Storage Temperature | -40º to +85ºC. | |||||
BC21EFD120-26.000000,26MHz,Bomar品牌,穿孔型晶體,UM-1,插件晶振,尺寸圖
深圳市康華爾電子有限公司SHENZHEN KONUAER ELECTRONICS CO.,LTD
電 話:0755-27838351
手 機:13823300879
Q Q:632862232
E-mail:konuaer@163.com
網 址:http://m.fuleikeji.cn
地 址:廣東深圳市寶安寶安大道東95號浙商銀行大廈1905












業務經理