晶振中心
進口晶振
- SMI晶振
- KDS晶振
- 精工晶振
- 西鐵城晶振
- 愛普生晶振
- 村田晶振
- 日本NDK晶體
- 京瓷晶振
- 臺灣TXC晶振
- 泰藝晶振
- 亞陶晶振
- 希華晶體
- 臺灣津綻晶體
- 美國CTS石英晶振
- 加高晶體
- 大河晶振
- 鴻星晶振
- 富士石英晶體
- AKER晶振
- Lihom晶振
- NAKA晶振
- NKG晶振
- NJR晶振
- Sunny晶振
石英晶體諧振器
歐美晶振
- Abracon晶振
- ECS晶振
- Golledge晶振
- ILSI晶振
- FOX晶振
- fujicom晶振
- AEK晶振
- CRYSTEK晶振
- interquip晶振
- Geyer晶振
- quartzcom晶振
- qantek晶振
- EUROQUARTZ晶振
- quarztechnik晶振
- Cardinal晶振
- FRE-TECH晶振
- KVG晶振
- wi2wi晶振
- AEL晶振
- Transko晶振
- suntsu晶振
- mmdcomp晶振
- MERCURY晶振
- MTRONPTI晶振
- RALTRON晶振
- Microcrystal晶振
- SITIME晶振
- IDT晶振
- Pletronics晶振
- STATEK晶振
- Rakon晶振
- ConnorWinfield晶振
- JAUCH晶振
- VECTRON晶振
- Greenray晶振
- ECLIPTEK晶振
- ACT晶振
- MTI-milliren晶振
- Rubyquartz晶振
- Oscilent晶振
- SHINSUNG晶振
- ITTI晶振
- PDI晶振
- IQD晶振
- Microchip晶振
- Silicon晶振
- Fortiming晶振
- CORE晶振
- NIPPON晶振
- NICKC晶振
- QVS晶振
- Bomar晶振
- Bliley晶振
- GED晶振
- FILTRONETICS晶振
- STD晶振
- Q-Tech晶振
- Anderson晶振
- Wenzel晶振
- NEL晶振
- EM晶振
- PETERMANN晶振
- FCD-Tech晶振
- HEC晶振
- FMI晶振
- Macrobizes晶振
- AXTAL晶振
- ARGO晶振
- Skyworks晶振
- Renesas瑞薩晶振
數碼產品
智能家電
時計產品
車載產品
石英晶體振蕩器

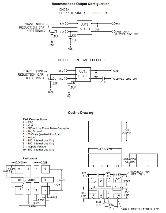
T53-T57-C-3.3-LG-A-20.0MHz,5032mm,Greenray格林雷晶振,T53,TCXO振蕩器,美國進口晶振,Greenray格林雷晶振,型號:T53系列晶振,編碼為:T53-T57-C-3.3-LG-A-20.0MHz,頻率為:20MHz,小體積晶振尺寸:5.0x3.2mm,10墊腳貼片晶振,石英晶振,TCXO振蕩器,溫補晶振,溫補晶體振蕩器,5032晶振,有源晶振,石英晶體振蕩器,SMD晶振,非常堅固的TCXO緊溫度穩定性,進口晶振,具有超小型,輕薄型,低抖動,低功耗,低相位噪聲,低電源電壓,低耗能,低損耗等特點。被廣泛應用于:通訊設備,無線網絡,藍牙模塊,物聯網,GPS定位,導航儀,汽車電子,智能家居等應用。

T53-T57-C-3.3-LG-A-20.0MHz,5032mm,Greenray格林雷晶振,T53,TCXO振蕩器,參數表
| Frequency | 24.000 MHz | ||
| Output | CMOS (C option) or Clipped Sinewave (S option) | ||
| Symmetry | 50% ± 10% (CMOS) | ||
| Output Level | SINE - +0.8V p-p typ into 10pF/100k ohm load; | ||
| CMOS - 3.3V - +0.2V max to +2.8V min; | |||
| 5.0V - +0.2V max to +4.2V min; 15pF load | |||
| Temp Stability | Temp Range | Tolerance | Option |
| (other stabilities available) | -10°C to +60°C | ±0.3 ppM | G37 |
| -20°C to +70°C | ±0.5 ppM | N57 | |
| -40°C to +85°C | ±0.5 ppM | T57 | |
| -40°C to +85°C | ±1.0 ppM | T16 | |
| -55°C to +95°C | ±2.0 ppm | V26 | |
| Aging | <1 ppM/yr - for standard shock level configuration (improved aging available) | ||
| Freq Adjust | ±8 ppM typ via 0 to Vcc control V, positive slope | ||
| Supply Voltage | +3.0 VDC ± 5%, +3.3VDC, or +5.0 VDC | ||
| Supply Current | < 6mA for HCMOS; < 3mA for SINE | ||
| G-Sensitivity |
Standard (SD) <2.5x10-9/g typ; Low G-sensitivity option (LG) <7x10-10/g |
||
T53-T57-C-3.3-LG-A-20.0MHz,5032mm,Greenray格林雷晶振,T53,TCXO振蕩器,尺寸圖
T53-T57-C-3.3-LG-A-20.0MHz,5032mm,Greenray格林雷晶振,T53,TCXO振蕩器
晶振是電子產品都得依賴的一款電子器件,它是通常應用到一些電子產品當中。削波正弦波形是TCXO晶振最受歡迎的輸出選項,這是為什么呢,主要原因有兩點.其一是低功耗,改善了熱特性以及更好的老化和頻率穩定性能;其二則是比CMOS輸出更好的相位噪聲性能.也就是說石英晶振在采用削波正玄波作為輸出方式之后會減少諧波分量的數量,使得晶振產品具備低相位噪聲的性能.

深圳市康華爾電子有限公司SHENZHEN KONUAER ELECTRONICS CO.,LTD
電 話:0755-27838351
手 機:13823300879
Q Q:632862232
E-mail:konuaer@163.com
網 址:http://m.fuleikeji.cn
地 址:廣東深圳市寶安寶安大道東95號浙商銀行大廈1905











業務經理