晶振中心
進口晶振
- SMI晶振
- KDS晶振
- 精工晶振
- 西鐵城晶振
- 愛普生晶振
- 村田晶振
- 日本NDK晶體
- 京瓷晶振
- 臺灣TXC晶振
- 泰藝晶振
- 亞陶晶振
- 希華晶體
- 臺灣津綻晶體
- 美國CTS石英晶振
- 加高晶體
- 大河晶振
- 鴻星晶振
- 富士石英晶體
- AKER晶振
- Lihom晶振
- NAKA晶振
- NKG晶振
- NJR晶振
- Sunny晶振
石英晶體諧振器
歐美晶振
- Abracon晶振
- ECS晶振
- Golledge晶振
- ILSI晶振
- FOX晶振
- fujicom晶振
- AEK晶振
- CRYSTEK晶振
- interquip晶振
- Geyer晶振
- quartzcom晶振
- qantek晶振
- EUROQUARTZ晶振
- quarztechnik晶振
- Cardinal晶振
- FRE-TECH晶振
- KVG晶振
- wi2wi晶振
- AEL晶振
- Transko晶振
- suntsu晶振
- mmdcomp晶振
- MERCURY晶振
- MTRONPTI晶振
- RALTRON晶振
- Microcrystal晶振
- SITIME晶振
- IDT晶振
- Pletronics晶振
- STATEK晶振
- Rakon晶振
- ConnorWinfield晶振
- JAUCH晶振
- VECTRON晶振
- Greenray晶振
- ECLIPTEK晶振
- ACT晶振
- MTI-milliren晶振
- Rubyquartz晶振
- Oscilent晶振
- SHINSUNG晶振
- ITTI晶振
- PDI晶振
- IQD晶振
- Microchip晶振
- Silicon晶振
- Fortiming晶振
- CORE晶振
- NIPPON晶振
- NICKC晶振
- QVS晶振
- Bomar晶振
- Bliley晶振
- GED晶振
- FILTRONETICS晶振
- STD晶振
- Q-Tech晶振
- Anderson晶振
- Wenzel晶振
- NEL晶振
- EM晶振
- PETERMANN晶振
- FCD-Tech晶振
- HEC晶振
- FMI晶振
- Macrobizes晶振
- AXTAL晶振
- ARGO晶振
- Skyworks晶振
- Renesas瑞薩晶振
數碼產品
智能家電
時計產品
車載產品
石英晶體振蕩器
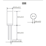
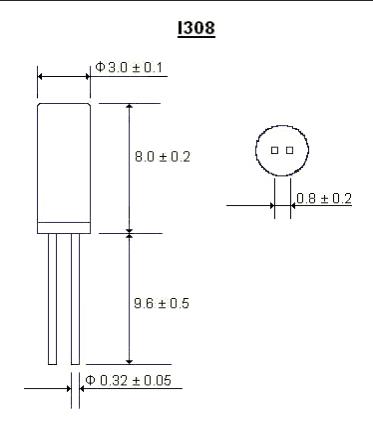
ITTI晶振,I308圓柱插件晶振,I308-32.768KHz-12.5晶振,32.768K圓柱插件晶振最適合用于比較低端的電子產品,比如兒童玩具,普通家用電器,即使在汽車電子領域中也能使產品高可靠性的使用.并且可用于安全控制裝置的CPU時鐘信號發生源部分,好比時鐘單片機上的石英晶振,在極端嚴酷的環境條件下,晶振也能正常工作,具有穩定的起振特性,高耐熱性,耐熱循環性和耐振性等
ITTI晶振,I308圓柱插件晶振,I308-32.768KHz-12.5晶振,石英晶振多層、多金屬的濺射鍍膜技術:是目前研發及生產高精度、高穩定性石英晶體元器件——石英晶振必須攻克的關鍵技術之一.石英晶振該選用何鍍材、鍍幾種材料、幾種鍍材的鍍膜順序,鍍膜的工藝方法(如各鍍材的功率設計等).使用此鍍膜方法使鍍膜后的晶振附著力增強,貼片晶振頻率更加集中,能控制在最小ppm之內.
ITTI晶振,I308圓柱插件晶振,I308-32.768KHz-12.5晶振,ITTI是石英鑄造概念的先驅,類似于半導體行業中使用的。這個想法很簡單但很深刻??紤]到一些制造商作為晶體供應商具有強大的存在但在其他領域可能處于邊緣地位的事實,而其他制造商可能具有生產振蕩器的強大能力,但在濾波器或TCXO中卻很弱。換句話說,在所有產品領域擁有強大的競爭力是非常困難的。那是直到ITTI。為了進一步說明這一點,ITTI通過其工程,質量和生產知識以及專業知識來確定哪個工廠具有生產特定SMD晶振產品的基本優勢。反過來,通過與各自工廠的廣泛努力,ITTI的工程師與工廠的人員一起能夠微調專用工廠的生產和時間表,以確保低成本及時的高質量生產率,從而為您,我們的客戶提供世界一流的產品。
| Specification | I308 |
| Frequency Range | 32.768KHz / 25 to 100KHz |
| Tolerance at 25°C | ±5 to ±100ppm |
| Turnover Temperature | +25°C |
| Temperature Coefficient | (-0.035±0.01)ppm/°C² |
| Load Capacitance | 12.5ρF |
| ESR | 35KΩ Max. |
| Aging (First Year) | ±5ppm/year Max. |
| Operating Temperature Range | -20°C to +70°C |
| Storage Temperature Range | -40°C to +85°C |
| Drive Level | 1μW Max. |

存儲事項
(1) 在更高或更低溫度或高濕度環境下長時間保存晶振時,會影響頻率穩定性或焊接性.請在正常溫度和濕度環境下保存這些OSC晶振產品,并在開封后盡可能進行安裝,以免長期儲藏.
正常溫度和濕度:
溫度:+15°C 至 +35°C,濕度 25 % RH 至 85 % RH(請參閱“測試點JIS C 60068-1 / IEC 60068-1的標準條件”章節內容).
(2) 請仔細處理內外盒與卷帶.外部壓力會導致卷帶受到損壞.
電源線路
電源的線路阻抗應盡可能低.
輸出負載
建議將石英晶振輸出負載安裝在盡可能靠近振蕩器的地方(在20 mm范圍之間).ITTI晶振,I308圓柱插件晶振,I308-32.768KHz-12.5晶振.
未用輸入終端的處理
未用針腳可能會引起噪聲響應,從而導致非正常工作.同時,當P通道和N通道都處于打開時,電源功率消耗也會增加;因此,請將未用輸入終端連接到VCC 或GND.
熱影響
重復的溫度巨大變化可能會降低受損害的石英貼片晶振產品特性,并導致塑料封裝里的線路擊穿.必須避免這種情況.
機械振動的影響
當晶振產品上存在任何給定沖擊或受到周期性機械振動時,比如:壓電揚聲器,壓電蜂鳴器,以及喇叭等,輸出頻率和幅度會受到影響.這種現象對通信器材通信質量有影響.盡管晶振產品設計可最小化這種機械振動的影響,我們推薦事先檢查并按照下列安裝指南進行操作.

ITTI晶振將確保其貼片晶振產品及相關設施滿足,以及地方環保機構的相關法規規定及其他要求,同時該公司盡可能的參與并協助政府機關和其他官方組織從事的環保活動. 在地方對各項設施的管理責任中,確保滿足方針的目標指標,同時在各種經營與生產活動中完全遵守并符合現行所有標準規范的要求.
ITTI晶振將有效率的使用自然資源和能源,以便從源頭減少廢物產生和排放.我們將在關注于預防環境和安全事故,保護公眾健康的同時,努力改進我們的操作.我公司將積極參與加強公眾環境、健康和安全意識的活動,提高公眾對普遍的環境、健康和安全問題的注意. ITTI晶振,I308圓柱插件晶振,I308-32.768KHz-12.5晶振.
ITTI晶振所有的經營組織都將積極應用國際標準以及適用的法律法規.為促進合理有效的公共政策的制訂實施加強戰略聯系.消除事故和環境方面的偶發事件,減少廢物的產生和排放,有效的使用能源和各種自然資源,對緊急事件做好充分準備,以便及時做出反應.
對我們的產品進行檢驗,同時告知我們的員工顧客以及公眾,如何安全的使用,如何使用對環境影響較小,幫助我們的雇員合同方商業伙伴服務提供上理解他們的行為如何影響著環境.
ITTI晶振將有效率的使用自然資源和能源,以便從源頭減少廢物產生和排放.我們將在關注于預防環境和安全事故,保護公眾健康的同時,努力改進我們的操作.我公司將積極參與加強公眾環境、健康和安全意識的活動,提高公眾對普遍的環境、健康和安全問題的注意. ITTI晶振,I308圓柱插件晶振,I308-32.768KHz-12.5晶振.
ITTI晶振所有的經營組織都將積極應用國際標準以及適用的法律法規.為促進合理有效的公共政策的制訂實施加強戰略聯系.消除事故和環境方面的偶發事件,減少廢物的產生和排放,有效的使用能源和各種自然資源,對緊急事件做好充分準備,以便及時做出反應.
對我們的產品進行檢驗,同時告知我們的員工顧客以及公眾,如何安全的使用,如何使用對環境影響較小,幫助我們的雇員合同方商業伙伴服務提供上理解他們的行為如何影響著環境.

深圳市康華爾電子有限公司SHENZHEN KONUAER ELECTRONICS CO.,LTD
電 話:0755-27838351
手 機:13823300879
Q Q:632862232
E-mail:konuaer@163.com
網 址:http://m.fuleikeji.cn
地 址:廣東深圳市寶安寶安大道東95號浙商銀行大廈1905










業務經理